


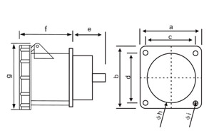
63Amp | 125Amp | |||||
Poles | 3 | 4 | 5 | 3 | 4 | 5 |
a×b | 100 | 100 | 100 | 120 | 120 | 120 |
c×d | 80 | 80 | 80 | 100 | 100 | 100 |
e | 54 | 54 | 54 | 68 | 68 | 68 |
f | 84 | 84 | 84 | 90 | 90 | 90 |
g | 113 | 113 | 113 | 126 | 126 | 126 |
h | 70 | 70 | 70 | 85 | 85 | 85 |
i | 7 | 7 | 7 | 7 | 7 | 7 |
Wire flexible [mm2] | 6-16 | 16-50 | ||||
創(chuàng)新探索,開創(chuàng)未來(lái)

郵箱:cee@cncee.com
電話:057762968788
傳真:0577-62994888
QQ:860025678